型號:KPM
技術參數:
KPM-氣動高溫調節閥主要性能指標
項目 不帶定位器 帶定位器
基本誤差% 5.0 1.0
回差% 3.0 1.0
死區% 3.0 0.4
高溫氣動調節閥,由多彈簧氣動薄膜執行機構(或活塞式氣動執行器)和低流阻調節閥閥體組成,多彈簧執行機構高度低、重量輕、裝備簡便。氣動薄膜高溫調節閥閥體流道呈S流線型,具有結構緊湊、重量輕、動作靈敏、壓降損失小、閥容量大、流量特性準確、維護方便等優點,氣動高溫調節閥調節機構采用平衡式閥塞結構,具有閥穩定性好,不易震動,噪音低,對溫度敏感性小。氣動薄膜高溫調節閥特別適用于泄露量要求不高、溫度較高的場合。
1、薄膜氣動調節閥主要性能指標
| 項目 | 不帶定位器 | 帶定位器 | ||
|---|---|---|---|---|
| 基本誤差% | ±5.0 | ±1.0 | ||
| 回差% | ≤3.0 | ≤1.0 | ||
| 死區% | ≤3.0 | ≤0.4 | ||
| 始終點偏差% | 氣開 | 始點 | ±2.5 | ±1.0 |
| 始點 | ±5.0 | ±1.0 | ||
| 氣關 | 始點 | ±5.0 | ±1.0 | |
| 終點 | ±2.5 | ±1.0 | ||
| 額定行程偏差% | ≤2.5 | |||
| 泄露量L/h | 0.01%×閥額定容量 | |||
| 可調范圍R | 30:1 | |||
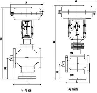
2、薄膜氣動調節閥不同類型的結構圖對比









?公司郵箱登入
?
浙公網安備33032402002441號